
手 机:18833390060(微信同号)
18833390050(微信同号)
Q Q:1330226644
2244881518
邮 箱:hanyae@163.com
![]() | EOCR-ISEM 概述 ◆ 有功, 无功功率及电量(累计)监视功能 ◆ 故障波形记录(200ms):3相电流及3相电压保存 ◆ 可选择测定4~20mA 模拟 Metering pulse 输出及电量 ◆ 电动机的绝缘电阻诊断可通过Alarm 接点监视:1MΩ, 5MΩ, 10MΩ 设定 ◆ MC运转次数监视,1,000~990,000次 ◆ 变频环境下负荷上使用,将低频设置为(5~60Hz) ◆ 3相电流测定:内置CT 使用时0.5 ~ 100A, 外部CT 使用时100 ~ 960A ◆ 内置ZCT无需连接外部ZCT可进行接地保护(0.03 ~ 10A) ◆ 电压THD, 电流THD, Harmonic 可分析 ◆ 通过设定 Date, Time 确认故障日期及时间(年/月/日/时/分/秒) ◆ 选择多种保护方法:定时限, 反时限, 热积聚反时限(无控制电源情况下30分有效) ◆ 接地电流及短路可同时保护, 单独接点输出(50msec) ◆ 通讯功能:Ethernet based MODBUS TCP 实时监测 ◆ 最后3次故障信息记录:故障种类, 故障值, 故障日期/时间 ◆ Bar Graph显示功能:可确认设定电流的运转比率 |
EOCR-ISEM 保护功能
● 电流因素 ● 电压因素 ● 电量因素
◆ 过电流(0.2-120秒) √ 过电压(0.2~30秒) ☞ 过功率(2~30秒)
◆ 欠电流 (0.5-120秒) √ 欠电压(0.2~30秒) ☞ 低功率(1~30秒)
◆ 不平衡、反转(1~10秒) √ 电压不平衡(0.2~20秒) ☞ 过电量(1~100秒)
◆ 堵转(SC:OFF,2-8倍 JA:OFF,1.5-8倍) √ 反转(0.15秒内) ☞ 欠电量(1~30秒)
◆ 接地(In:0.05~10秒 Et:0.1~10秒)
◆ 短路(0.05秒内)
EOCR-ISEM 产品信息
主要信息
产品范围 EOCR
产品型号 EOCR-ISEM
产品类型 多功能电动机管理保护继电器
继电器应用 过电流,In>OC设定值
低电流,In<OC设定值
堵转(起动中),In>OC设定值2...8倍
堵转(运行中),In>OC设定值1.5...5倍
反转
电流不平衡,10...50%
接地,Ig>EF设定值
过电压,In>OC设定值
通讯类型 Modbus RS-485
模拟量输出 4...20mA
电源类型 AC
电源频率 50...60HZ
本体电流保护范围 0.5...100A(定时限)
0.5...60(反时限/热反时限)
OFF,3…10 A (定时限) - 接地电流值
电气/机械特性
额定电源电压 [Us] 24VAC/DC
100...240VAC/DC
辅助触点类型 1 NC+1 NO, OL
1NO, AL/UL/TO/IN/MC/VO/PO
1NO, GR
1NO, SH
额定绝缘电压 [Ui] 600 V AC 主回路 符合 CSA
600 V AC 主回路 符合 UL
690 V AC 主回路 符合 IEC 60947-4-1
安装方式 35mm导轨安装或螺钉固定
电磁兼容性 传导辐射 class A 符合 EN 55011
免于电磁干扰 10 V/m 符合 IEC 61000-4-3
静电放电抗扰 8 kV 隔空 符合 IEC 61000-4-2
静电放电抗扰 6 kV 直接模式 符合 IEC 61000-4-2
免于快速瞬变 2 kV 符合 IEC 61000-4-4
冲击耐受电压 6 kV 符合 IEC 61000-4-5
高频传导干扰 10 V 符合 IEC 61000-4-6
约定发热电流 [Ith] 5A 适用信号回路
与继电器配合使用的熔丝 5 A gG 适用 信号回路
5 A BS 适用 信号回路
额定冲击耐受电压 [Uimp] 6 kV
接线能力 信号回路 : lugs-ring terminals 接线片外径: 7 mm
Signalling circuit : screw clamp terminals 1 cable(s) 1...2.5 mm2 - cable stiffness: flexible - with cable end cable end
Signalling circuit : screw clamp terminals 1 cable(s) 1...2.5 mm2 - cable stiffness: flexible - without cable end cable end
Signalling circuit : screw clamp terminals 2 cable(s) 1...2.5 mm2 - cable stiffness: flexible - with cable end cable end
Signalling circuit : screw clamp terminals 2 cable(s) 1...2.5 mm2 - cable stiffness: flexible - without cable end cable end
紧固扭矩 信号回路 : 1.7 N.m 螺丝: M3.5
环境
符合标准 IEC 60255-6
IEC 60947
产品认证 CSA UL CE
防护措施 TH 符合 IEC 60068
IP 保护等级 IP20 符合 VDE 0106
IP20 符合 IEC 60529
环境温度 -25...60 °C 不降容 符合 IEC 60947-4-1
贮存环境温度 -30...80 °C
工作海拔 2000 m
抗冲击、震动性能 抗冲击性能 15 gn (11ms) IEC 60068-2-7
抗震性能 4 gn IEC 60068-2-6
绝缘性能 2 kV 在…上 50 Hz 符合 IEC 60255-5
质保期 18个月
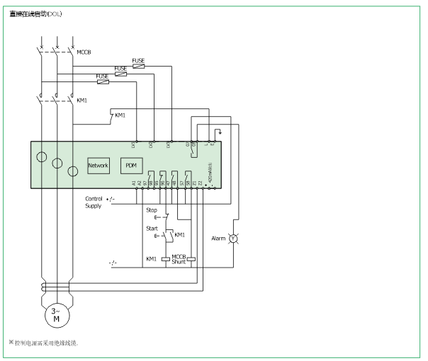
EOCR-ISEM 接线示意

EOCR-ISEM 外形尺寸



EOCR-ISEM 产品订购


相关下载