
手 机:18833390060(微信同号)
18833390050(微信同号)
Q Q:1330226644
2244881518
邮 箱:hanyae@163.com
![]() | EOCR-i3MS 概述 |
EOCR-i3MS 保护功能
◆ 过电流(定时限:0.2...30秒,反时限:1...30class)
◆ 低电流(OFF,1...30秒)
◆ 缺相(OFF,0.5...5秒内)
◆ 反转(0.15秒)
◆ 电流不平衡(1...10秒)
◆ 失速(D-Time后0.5秒)
◆ 堵转(0.3...5秒)
◆ 短路(0...30秒)
★ Modbus RS-485通讯
EOCR-i3MS 产品信息
主要信息
产品范围 EOCR
产品型号 EOCR-i3MS
产品类型 多功能电动机保护继电器
继电器应用 过电流,In>OC设定值
低电流,In<OC设定值
堵转(起动中),In>OC设定值2...8倍
堵转(运行中),In>OC设定值1.5...5倍
反转
电流不平衡,10...50%
短路,In>Oc设定值2...44倍
通讯类型 Modbus RS-485
电源类型 AC
电源频率 50...60HZ
本体电流保护范围 0.5...25A(定时限)
0.5...25A(反时限/热反时限)
电气/机械特性
额定电源电压 [Us] 24VAC/DC
100...240VAC/DC
辅助触点类型 1 NC+1 NO +1SH
额定绝缘电压 [Ui] 600 V AC 主回路 符合 CSA
600 V AC 主回路 符合 UL
690 V AC 主回路 符合 IEC 60947-4-1
安装方式 35mm导轨安装或螺钉固定
电磁兼容性 传导辐射 class A 符合 EN 55011
免于电磁干扰 10 V/m 符合 IEC 61000-4-3
静电放电抗扰 8 kV 隔空 符合 IEC 61000-4-2
静电放电抗扰 6 kV 直接模式 符合 IEC 61000-4-2
免于快速瞬变 2 kV 符合 IEC 61000-4-4
冲击耐受电压 6 kV 符合 IEC 61000-4-5
高频传导干扰 10 V 符合 IEC 61000-4-6
约定发热电流 [Ith] 5A 适用信号回路
与继电器配合使用的熔丝 5 A gG 适用 信号回路
5 A BS 适用 信号回路
额定冲击耐受电压 [Uimp] 6 kV
接线能力 信号回路 : lugs-ring terminals 接线片外径?: 7 mm
Signalling circuit : screw clamp terminals 1 cable(s) 1...2.5 mm2 - cable stiffness: flexible - with cable end cable end
Signalling circuit : screw clamp terminals 1 cable(s) 1...2.5 mm2 - cable stiffness: flexible - without cable end cable end
Signalling circuit : screw clamp terminals 2 cable(s) 1...2.5 mm2 - cable stiffness: flexible - with cable end cable end
Signalling circuit : screw clamp terminals 2 cable(s) 1...2.5 mm2 - cable stiffness: flexible - without cable end cable end
紧固扭矩 信号回路 : 1.7 N.m 螺丝: M3.5
环境
符合标准 IEC 60255-6
IEC 60947
产品认证 CSA UL CE CCC
防护措施 TH 符合 IEC 60068
IP 保护等级 IP20 符合 VDE 0106
IP20 符合 IEC 60529
环境温度 -25...60 °C 不降容 符合 IEC 60947-4-1
贮存环境温度 -30...80 °C
工作海拔 2000 m
抗冲击、震动性能 抗冲击性能 15 gn (11ms) IEC 60068-2-7
抗震性能 4 gn IEC 60068-2-6
绝缘性能 2 kV 在…上 50 Hz 符合 IEC 60255-5
质保期 18个月
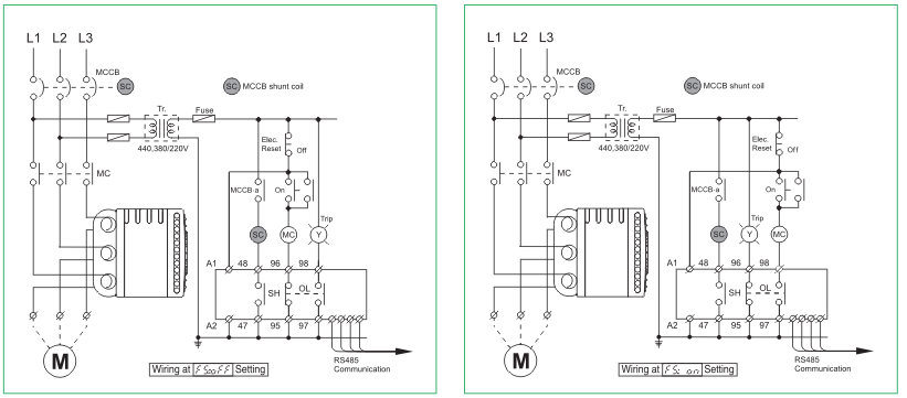
EOCR-i3MS 接线示意


EOCR-i3MS 外形尺寸


EOCR-i3MS 产品订购

EOCR-i3MS 产品列表
| 缩图 | 类别 | 型号 | 控制电压 |
|---|---|---|---|
窗口型 | EOCR-i3MS | EOCRi3MS-WRDUWZ EOCRi3MS-WRDUW(停产) | AC/DC 100-240V |
EOCRi3MS-WRDBWZ EOCRi3MS-WRDBW(停产) | AC/DC 24V | ||
贯穿型 | EOCRi3MS-WRDUHZ EOCRi3MS-WRDUH(停产) | AC/DC 100-240V | |
EOCRi3MS-WRDBHZ EOCRi3MS-WRDBH(停产) | AC/DC 24V | ||
端子型 | EOCRi3MS-WRDUTZ EOCRi3MS-WRDUT(停产) | AC/DC 100-240V | |
EOCRi3MS-WRDBTZ EOCRi3MS-WRDBHT(停产) | AC/DC 24V |
相关下载