
手 机:18833390060(微信同号)
18833390050(微信同号)
Q Q:1330226644
2244881518
邮 箱:hanyae@163.com
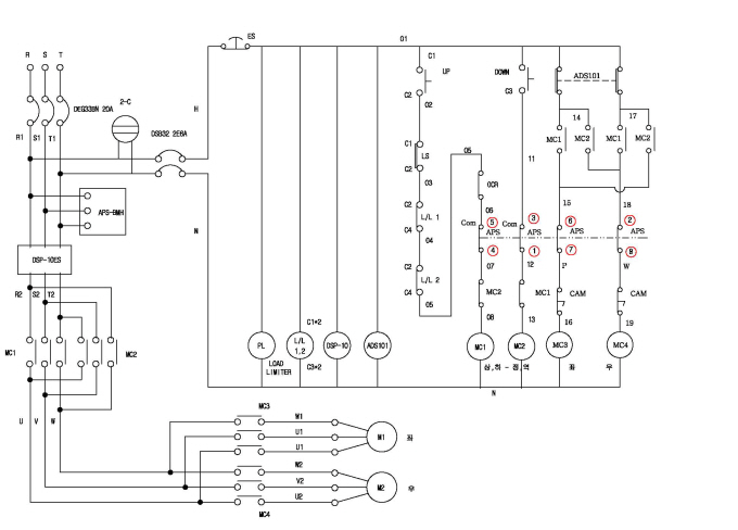
![]() | SW-ADS101 水平调节器 ✔ 概述
✔ 产品规格
|
✔ 应用场景
造船厂:船舶建造与维修中,确保船体分段、设备安装的水平精度。
高空作业:大厦外墙清扫、建筑施工的高空平台水平控制。
工程机械:起重机、混凝土泵车等设备的作业平台水平稳定。
自动化产线:精密设备、流水线的水平姿态实时修正。
✔ 型号与特征
倾斜传感器(自动水平调节装置):SW-ADS101 在运行过程中因滑动或过载导致平衡无法维持时自动保持平衡(最小1°,最大角度10°)
倾斜显示角度 0~60°
✔ 额定值及规格
额定操作电压:85~240VAC(120~370VDC)
倾斜动作时间:0.1~1.0秒
水平调节角度:1~10°
水平调节系统:左右电机开关模式
✔ 尺寸

✔ 接线

相关下载