
手 机:18833390060(微信同号)
18833390050(微信同号)
Q Q:1330226644
2244881518
邮 箱:hanyae@163.com
![]() | DSP-SS1-AR 过欠电流兼用自动复位保护器 ✔ 概述
|
✔ 技术参数 ■ 电流设置(过电流、低电流) □ 10型:0.3A至12A/0.3A~6A,可与外部CT配合 □ 60型:2A ∼ 60A □ 外部CT组合:1A ∼ 600A ■ 时间设置 □ 启动延迟时间(dt):0.3~30秒 □ 动作延迟时间(ot):0.3∼ 12秒 □ 缺相动作时间:5秒 □ 堵转动作延迟时间:d-time ■ 精度 □ 电流:±10% □ 时间:±15%
■ 故障输出 □ 主输出:95-96,97-98:1a-1b(1a1b),250VAC/2A,30VDC/1A,电阻式 ■ 使用环境 □ 工作温度:-25°C ~ +70°C □ 储存温度:-40°C ~ +80°C □ 相对湿度:30-85%,无凝露 ■ 最大主回路线缆尺寸:25SQ ■ 螺丝拧紧扭矩:最大0.6N·m ■ 绝缘电阻 / IEC-60255-5:电路与外壳之间100Mohm以上,500VDC ■ 高压耐受:IEC-60255-5 □ 电路与外壳之间:AC2000V,60Hz,1分钟 □ 触点间:AC1000V,60Hz,1分钟 ■ 冲击耐压:IEC-60255-5 □ 电路-地线,电路-电路:1.2/50uS,5KV □ 控制电路:1.2/50uS,5KV ■ 1MHz突发抗扰测试 / IEC 61000-4-18:2.5KV, Positive / Negative under 2sec ■ 静电放电阻测试:IEC-61000-4-2 □ 空气中:Level 3, 8KV □ 连接状态:Level 13, 6KV ■ 辐射电磁场干扰/ IEC-61000-4-3:Level 3, 10V/m ■ 电快速瞬变抗扰度:IEC-61000-4-4 □ 功率与继电器输出:Level 4, 4KV ■ 浪涌电阻测试:IEC-61000-4-5 □ 继电器输出:1.2×50uS,2KV(0°、90°、180°、270°) ■ 传导干扰抗扰度/ IEC-61000-4-6:10V, Level 3 ■ 功耗:最大1W |
✔ 外形尺寸

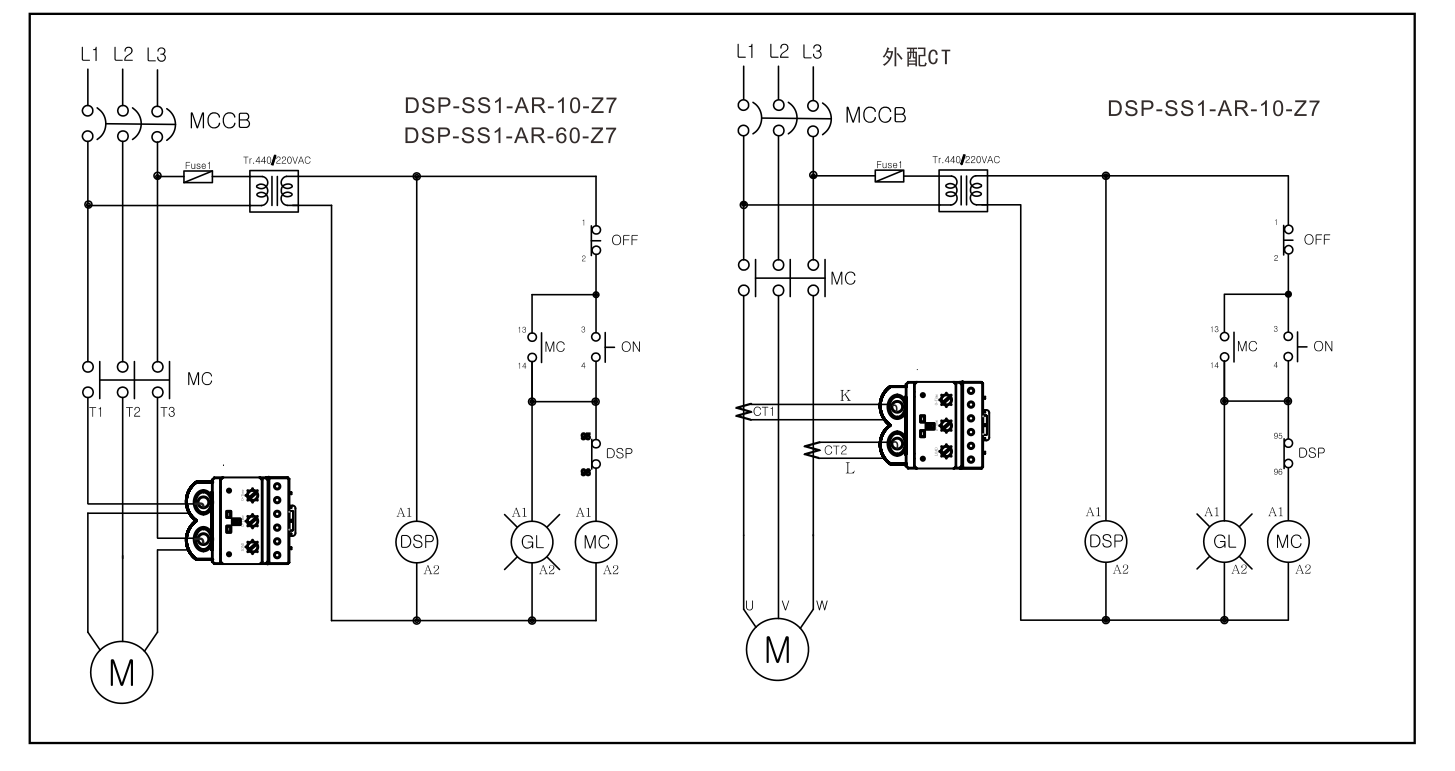
✔ 接线图

✔ 产品选型

相关下载